乐动在线平台

输电线路故障取电CT(TRKLSD-Q)
输电线路故障取电CT(TRKLSD-Q) 输电线路故障取电CT(TRKLSD-Q) 输电线路故障取电CT(TRKLSD-Q) 输电线路故障取电CT(TRKLSD-Q) 输电线路故障取电CT(TRKLSD-Q)

输电线路故障取电CT(TRKLSD-Q)

  • 产品介绍
  • 常见问题
  • 资质证书
  • 留言咨询
产品概述
 
TRKLSD-Q输电线路取能装置是一种利用电磁感应原理获取电能,并实现稳定电压输出的新型电源装置。该装置长期运行稳定可靠,技术成熟,对输电线路电流变化具有很强的适应能力,具备短路及冲击电流自我保护,可为各类输电线路在线监测和监控设备提供可靠的电源。
产品特点
 

开合式结构,易于现场安装,操作方便。全封闭式设计,适应恶劣环境

感应取能,高效可靠,无需维护

运行稳定,可以在线路电流变化的情况下保持稳定的输出。输出电压稳定,纹波小;输出功率可达20W以上

可以在大于1000A电流下持续工作,可以在大于3000A电流下短时间稳定工作;可安装在6kV至500kV任意电压等级输电线路上

应用范围
 
高压架空输电线路行波测距装置。
性能指标
 

输入特性:
    输电线路电压等级:≤500kV
    输电线路电流:≤3000A
    额定频率:50Hz

输出特性:
    输出电压精度:≤1%额定输出电压
    负载效应:≤±1%额定输出电压(0~100%额定负载变化时)
    纹波峰峰值:≤±1%额定输出电压
    过流保护:不低于120%额定输出电流自动恢复
    开关频率:300kHz

环境特性:
    环境温度:-25℃~+50℃
    存储温度:-40℃~+120℃
    相对湿度:≤95%
    大气条件:大气中无严重污秽
    海拔高度:≤3000m
    温度系数:≤±0.02%/℃
    温升:K30℃

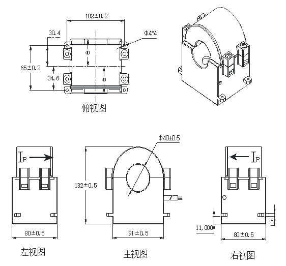
外形及安装尺寸
 

乐动在线平台-乐动在线官网 的主营产品有:电流互感器、电压互感器、电流变换器、电压变换器、霍尔传感器等,希望可以帮到你。

天瑞公司现有三大业务领域分别是:继电保护与自动化、智能电网、新能源。其中,继保领域主要目标市场为:电量传感器、GPS同步时钟源;智能电网领域主要目标市场为:数显电力仪表、高压电能计量装置;新能源领域主要目标市场为:太阳能和风电转换装置、新能源电池监控装置等。

以满足客户需求为工作焦点,关注产品质量,提倡产品标准化,使经营业绩得到了蓬勃发展。近五年销售收入年均增幅为35%,高出行业增长水平20个百分点。 天瑞公司现有三大业务领域分别是:继电保护与自动化、智能电网、新能源。其中,继保领域主要目标市场为:电量传感器、GPS同步时钟源;智能电网领域主要目标市场为:数显电力仪表、高压电能计量装置;新能源领域主要目标市场为:太阳能和风电转换装置、新能源电池监控装置等。公司自成立之初,就致力做好做精做强电力电子产业,积极承担社会责任,高度重视人才培养,现已成为行业内广受尊重的企业之一。

2006年被推选为中国电器工业协会理事单位 2010年被评定为国家高新技术企业 2013年被中华全国总工会评为“工人先锋号”,被授予湖北省名牌 2014年被中国电子工业协会评为“全国电子信息行业最具社会责任企业”称号 2015年被授予湖北省著名商标2017年被评定为“中国驰名商标”

乐动在线平台-乐动在线官网 从1998年在湖北省天门市成立, 有着超过20年的技术开发和生产管理的经验积累。

电流互感器是由闭合的铁心和绕组组成。它的一次绕组匝数很少,串在需要测量的电流的线路中,因此它经常有线路的全部电流流过,二次绕组匝数比较多,串接在测量仪表和保护回路中,电流互感器在工作时,它的二次回路始终是闭合的,因此测量仪表和保护回路串联线圈的阻抗很小,电流互感器的工作状态接近短路。

按照用途不同,电流互感器大致可分为两类 : 测量用电流互感器:在正常工作电流范围内,向测量、计量等装置提供电网的电流信息。 保护用电流互感器:在电网故障状态下,向继电保护等装置提供电网故障电流信息。

剩余电流互感器是漏电保护器的检测元件,它的主要功能是检测通过互感器铁心的主电路的剩余电流(触电、漏电等接地故障电流),并将一次回路的剩余电流变换成二次回路的输出电压。剩余电流互感器是漏电保护器中最关键的部件之一。

电压传感器的原理: 对于交流电压测量,可用电压互感器作为传感元件,即使用一台电压互感器将被测电压降至到可利用的低电压,然后通过相关电路变换成与被测电压成线性关系的直流电压送入到数据采集系统和A/D转换器。 当被测电压为直流电压时,可用分压电阻作为传感元件,并联在被测元件两端的电阻值应足够大(一般应控制在消耗功率小于被测电机额定功率的1/1000以下)),以尽可能地减少该回路电流产生的损耗给测量值造成的影响,对于低压电机,应在10KΩ左右。取该被测电压在电阻上的一部分电压降作为信号,直接送入到数据采集系统和A/D转换器。

电压传感器的作用是自动检测电压,从而使我们能够对设备或系统的电压进行控制和显示,必要时采取过电压、欠电压等自动保护措施。
环境管理体系认证证书-中文
质量管理体系认证证书-中文
职业健康安全管理体系认证证书-中文
CE
IATF16949
REACH
REACH
RoHS
感谢您的留言,我们将尽快与您联系!

联系我们

服务热线:400-086-3003

电话:0728-5353116 5353117

传真:0728-5353121

邮箱:hbtr@tgkqg.com

地址:湖北省天门市经济开发区创业大道8号

天瑞电子微信公众号
天瑞电子微信公众号
感谢您的留言,我们将尽快与您联系!